우편물규격, 우편봉투 인쇄 및 박스 크기와 포장 방법
우편물의 안전한 송달을 위해 각종 규정을 준수해야 합니다. 우편물은 내용물의 특성에 맞게 튼튼하게 포장되어야 하며, 우편자루 포장 시 사제우편자루를 사용할 수 있습니다. 또한, 정기간행물은 통상우편물 규격에 맞게 띠종이 등으로 묶어 발송할 수 있습니다. 이러한 조치는 우편물의 안전한 배달과 다른 우편물에 대한 피해를 최소화하기 위한 것입니다.
한글 주소 인쇄 규격 권장 사항
수취인 주소를 표기할 때는 다음의 권장사항을 따라야 하는데 주소는 다음과 같이 작성해야 합니다.
- 글자 크기는 11포인트여야 하며,
- 글씨체는 고딕, 명조, 굴림, 바탕 중에서 선택할 수 있습니다.
- 주소는 다음과 같이 작성되어야 합니다: 세종특별자치시 도움5로 19(어진동)
- 줄간격은 1.5mm 이상으로 설정해야 합니다.
- 글자 간격은 0.35mm 이상으로 설정해야 합니다.
또한, 주소 위쪽에 바코드를 인쇄하는 경우, 발송인의 고객관리 용도로 최소 2mm 이상의 공백이 필요합니다. 주소 좌측에 바코드를 인쇄하는 경우, 바코드와 주소 사이에 최소 7mm 이상의 공백이 있어야 합니다.
주소 표기 권장 사항
도로명 주소
구분 | 내용 | 정렬 |
1행 | 행정구역(시도, 시군구, 읍면) + 도로명 + 건물번호 | 왼 쪽 |
2행 | 상세주소(동층호) + 참고항목(법정동, 공동주택명칭) 또는 사서함 | 왼 쪽 |
3행 | 법인명(기관 또는 상호) + 부서명 | 왼 쪽 |
4행 | 성명(직위, 호칭) | 왼 쪽 |
5행 | 우편번호 | 오른쪽 |
주소는 왼쪽으로 정렬하고, 우편번호는 오른쪽으로 정렬하여 인쇄해야 합니다. 이때 주소의 정렬 순서는 위의 표에 따라야 합니다. 주소와 우편번호를 창봉투로 보내는 경우에도 주소가 가려지거나 영향을 받지 않도록 조심해야 합니다.
또한, 건물번호와 상세주소는 별도의 행으로 표기하는 것이 권장되며, 행정구역 단위의 축약을 지양해야 합니다. 참고항목은 2행에 표기해야 하며, 행정구역 단위 중 리 명칭은 생략되어야 합니다.
예를 들어, 신정동과 목동현대아파트를 포함하는 주소는 "서울시 양천구 신목로 10 101동1207호 (신정동, 목동현대아파트)"로 표기되어야 합니다. 또한, 중앙로37길과 신정동을 포함하는 주소는 "서울시 양천구 중앙로37길 126 (신정동)"으로 표기되어야 합니다.
마지막으로, 전남 여수시 소라면과 리 명칭인 복산리를 포함하는 주소는 "전라남도 여수시 소라면 조산로 3"으로 표기되어야 합니다.
지번 주소
구분 | 내용 | 정렬 |
1행 | 행정구역(시도, 시군구, 읍면동리가) + 지번(본번-부번) | 왼 쪽 |
2행 | 건물명(아파트, 빌딩 등) + 동층호수(단지, 동수) 또는 사서함 | 왼 쪽 |
3행 | 법인명(기관 또는 상호명) + 부서명 | 왼 쪽 |
4행 | 성명(직위, 호칭) | 왼 쪽 |
5행 | 우편번호 | 오른쪽 |
통/반 표기는 생략되어야 하며, 행정동과 법정동 중에서는 행정동을 우선하여 표기하고, 행정동과 법정동을 함께 표기하는 것을 지양해야 합니다.
예를 들어, "서울시 양천구 신정동(신정1동) 47번지"와 같이 표기하는 것은 잘못된 방법이며, 올바른 표기는 "서울시 양천구 신정1동 47번지"입니다.
또한, 지번의 본번과 부번은 붙임표(-)로 표기하고, 다가구주택의 동과 호는 번(/호), 동, 호 등의 한글표기를 사용해야 합니다.
예를 들어, "서울시 양천구 대방동 320번지 1호"와 같이 표기하는 것은 잘못된 방법이며, 올바른 표기는 "서울시 양천구 대방동 320-1"입니다. 또한, "서울시 양천구 대방동 대림빌라 101-1"와 같이 표기하는 것은 잘못된 방법이며, 올바른 표기는 "서울시 양천구 대방동 대림빌라 101동 1호"입니다.
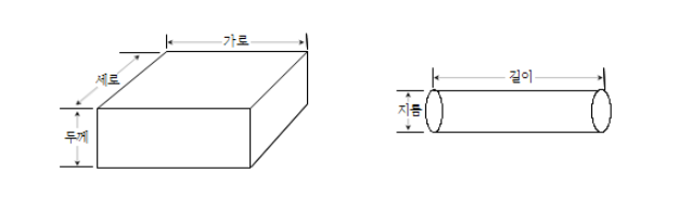
우편물의 용적 및 중량
통상우편물과 소포우편물의 용적과 중량에 대한 안내는 다음과 같습니다.
통상우편물
최대용적: 가로, 세로, 두께를 합하여 90cm, 원통형은 "지름의 2배"와 길이를 합하여 1m이며 어느 길이나 60cm를 초과할 수 없습니다.
최소용적: 평면의 크기가 가로 14cm, 세로 9cm이며 원통형은 "지름의 2배"와 길이를 합하여 23cm(단, 길이는 14cm 이상)입니다.
중량: 최소 2g에서 최대 6,000g까지 운송이 가능하며, 정기간행물과 서적으로서 요금감액을 받는 우편물은 최대 1,200g, 요금감액을 받지 않는 서적은 최대 800g, 국내특급은 최대 30kg까지 운송이 가능합니다.
소포우편물
최대용적: 가로, 세로, 높이 세 변을 합하여 160cm이며 어느 변이나 1m를 초과할 수 없습니다.
최소용적: 가로, 세로, 높이 세 변을 합하여 35cm이며 가로는 17cm 이상, 세로는 12cm 이상이어야 합니다. 원통형은 "지름의 2배"와 길이를 합하여 35cm이며 지름은 3.5cm 이상, 길이는 17cm 이상이어야 합니다.
중량: 최대 30kg까지 운송이 가능합니다. 우편관서의 장과 발송인과의 사전계약에 따라 발송인을 방문하여 접수하는 경우에는 그 계약으로 달리 정할 수 있습니다.
우편물의 외부기재 금지사항
우편물의 외부에 다음과 같은 사항을 기재하는 것은 금지됩니다.
- 공공의 안녕질서나 미풍양속을 저해하는 내용
- 인간의 존엄성 및 국가 안전과 사회 공공질서를 해치는 내용
- 폭력, 마약 등 반사회적이고 반인륜적인 내용을 조장하는 내용
- 음란하고 퇴폐적인 내용으로 건전한 성도덕을 해치는 내용
- 청소년의 정신적, 신체적 건강에 해를 끼칠 우려가 있는 내용
- 개인정보보호법령에 따른 주민등록번호 등 고유식별정보
- 우편법이나 다른 법령에서 금지하는 사항
통상우편물의 규격요건 및 외부기재 사항
일반봉투 규격
통상우편물의 규격요건 및 외부기재 사항
봉투에 넣어 봉함하거나 포장하여 발송하는 우편물의 규격요건 및 외부표시(기재) 사항
요 건 | 내 용 | |
(1) 크 기 | 세로 (D) 가로 (W) 두께 (T) |
최소 90mm, 최대 130mm(허용오차 ±5mm) 최소 140mm, 최대 235mm(허용오차 ±5mm) 최소 0.16mm, 최대 5mm(누르지 않은 자연 상태) |
(2) 모양 | 직사각형 형태 | |
(3) 중량 | 최소 3g, 최대 50g | |
(4) 재질 | 종이 (창문봉투의 경우 다른 소재로 투명하게 창문 제작) | |
(5) 우편번호 기재 | 수취인 우편번호(국가기초구역 체계로 개편된 5자리 우편번호)를 정확히 기재해야하며, 일체의 가려짐 및 겹침이 없어야 함 수취인 우편번호 여백규격 및 위치 규격 :상하좌우에 4mm 이상 여백 위치 : (7)의 공백 공간 밖, 주소성명 등의 기재사항의 아래쪽 수취인 기재영역 좌우 너비 안 해당 영역에는 우편번호 외 다른 사항 표시 불가 우편번호 작성란을 인쇄하는 경우에는 5개의 칸으로 구성하여야 함 단, 여섯자리 우편번호 작성란이 인쇄(2019년 8월이전)된 봉투를 이용한 통상우편물은 우편번호 숫자를 왼쪽칸부터 한 칸에 하나씩 차례대로 기입하고 마지막 칸은 공란으로 두어야 함 |
|
(6) 표면 및 내용물 | 문자 도안 표시에 발광 형광 인광물질 사용불가 봉할 때는 풀, 접착제 사용(스테이플, 핀, 리벳 등 도드라진 것 사용불가) 우편물의 앞뒤, 상하좌우는 완전히 봉해야 함(접착식 우편물 포함) 특정부분 튀어나옴눌러찍기돋아내기구멍뚫기 등이 없이 균일해야 함 종이수입인지 등을 완전히 밀착하여 붙인 경우나 점자 기재는 허용 |
|
(7) 기계처리를 위한 공백 공간 허용오차 ±5mm |
앞면 : 오른쪽 끝에서 140mm × 밑면에서 17mm, 우편번호 오른쪽 끝에서 20mm 뒷면 : 왼측 끝에서 140mm × 밑면에서 17mm |
|
우편엽서의 규격요건 및 외부기재 사항
요 건 | 내 용 | |
(1) 크 기 | 세로 (D) 가로 (W) |
최소 90mm, 최대 120mm (허용오차 ±5mm) 최소 140mm, 최대 170mm (허용오차 ±5mm) |
(2) 형식 | 직사각형 형태 별도 봉투로 봉함하지 않은 형태 |
|
(3) 중량 | 최소 2g, 최대 5g (다만, 세로크기가 110mm를 넘거나 가로크기가 153mm을 넘는 경우에는 최소 4g, 최대 5g) | |
(4) 재질 | 종이 | |
(5) 우편번호 기재 | 수취인 우편번호(국가기초구역 체계로 개편된 5자리 우편번호)를 정확히 기재해야 하며, 일체의 가려짐 및 겹침이 없어야 함 수취인 우편번호 위치 및 규격 규격 : 상하좌우에 4mm 이상 여백 위치 : (7)의 공백 공간 밖, 주소성명 등의 기재사항의 아래쪽, 수취인 기재영역 좌우 너비 안 해당 영역에는 우편번호 외 다른 사항 표시 불가 우편번호 작성란을 인쇄하는 경우에는 5개의 칸으로 구성하여야 함 단, 여섯자리 우편번호 작성란이 인쇄(2019년 8월이전)된 봉투를 이용한 통상우편물은 우편번호 숫자를 왼쪽칸부터 한 칸에 하나씩 차례대로 기입하고 마지막 칸은 공란으로 두어야 함 |
|
(6) 표면 및 내용물 | 문자도안 표시에 발광형광인광물질 사용불가 특정부분 튀어나옴눌러찍기돋아내기구멍뚫기 등이 없이 균일해야 함 종이수입인지 등을 완전히 밀착하여 붙인 경우나 점자 기재는 허용 |
|
(7) 기계처리를 위한 공백 공간 허용오차 ±5mm |
앞면 : 오른쪽 끝에서 140㎜ × 밑면에서 17㎜, 우편번호 오른쪽 끝에서 20㎜ | |
사제우편엽서의 규격 요건 및 외부 표시 사항은 다음과 같습니다.
권장 요건
- 색상은 반사율이 70% 이상인 흰색이나 밝은 색을 사용합니다.
- 지질(재질)은 70g/㎡ 이상이며, 불투명도는 75% 이상이어야 합니다. 창봉투 창문은 불투명도가 20% 이하여야 합니다.
- 우표를 정해진 위치에 붙이거나 우편요금납부를 표시해야 합니다.
- 봉투 뒷면, 우편엽서 작성란, 띠종이 앞면의 윗부분 1/2과 뒷면 전체 등 허용된 공간에만 원하는 사항을 표시할 수 있습니다.
- 우편물의 뒷면과 우편엽서의 허용된 부분에는 광고를 게재할 수 있습니다.
- 우편엽서의 경우 평판(오프셋)으로 인쇄해야 하지만, 사제엽서는 이 규정에서 예외입니다.
- 정기간행물 등을 묶어 발송하는 띠종이의 크기는 다음과 같습니다.
- 신문형태 정기간행물용: 세로(70㎜ 이상)×가로(최소 90㎜ ~ 최대 235㎜)
- 다른 형태 정기간행물용: 우편물을 전부 덮는 크기
- 별표의 부도 규격을 준수해야 합니다.
통상우편물의 규격 외 취급 대상 및 사제우편엽서의 규격 외 취급에 대한 사항은 동 고시 제1항제가호를 위반한 경우 통상우편물의 규격 외 취급되며, 동 고시 제1항제나호를 위반한 경우 우편엽서의 규격 외 취급됩니다.
우편물 포장방법
우편물은 내용물의 성질, 모양, 용적, 중량, 송달 거리 등에 따라 파손되지 않고 다른 우편물에 손상을 주지 않도록 튼튼하게 포장되어야 합니다.
우편자루 배달 시에는 우편자루를 포장으로 인정하며, 사제우편자루 사용이 허용됩니다. 다만, 포장이 충분히 튼튼하다면 포장 자체를 사제 우편자루로 인정할 수 있습니다.
또한, 우편물 정기발송계약을 맺은 정기간행물은 통상우편물 규격에서 정한 바에 따라 띠종이 등으로 묶어 발송할 수 있습니다. 다음은 위 조항에 따라 포장해야 할 물품을 정한 방법입니다.
요 건 | 내 용 | |
(1) 크 기 | 세로 (D) 가로 (W) |
최소 90mm, 최대 120mm (허용오차 ±5mm) 최소 140mm, 최대 170mm (허용오차 ±5mm) |
(2) 형식 | 직사각형 형태 별도 봉투로 봉함하지 않은 형태 |
|
(3) 중량 | 최소 2g, 최대 5g (다만, 세로크기가 110mm를 넘거나 가로크기가 153mm을 넘는 경우에는 최소 4g, 최대 5g) | |
(4) 재질 | 종이 | |
(5) 우편번호 기재 | 수취인 우편번호(국가기초구역 체계로 개편된 5자리 우편번호)를 정확히 기재해야 하며, 일체의 가려짐 및 겹침이 없어야 함 수취인 우편번호 위치 및 규격 규격 : 상하좌우에 4mm 이상 여백 위치 : (7)의 공백 공간 밖, 주소성명 등의 기재사항의 아래쪽, 수취인 기재영역 좌우 너비 안 해당 영역에는 우편번호 외 다른 사항 표시 불가 우편번호 작성란을 인쇄하는 경우에는 5개의 칸으로 구성하여야 함 단, 여섯자리 우편번호 작성란이 인쇄(2019년 8월이전)된 봉투를 이용한 통상우편물은 우편번호 숫자를 왼쪽칸부터 한 칸에 하나씩 차례대로 기입하고 마지막 칸은 공란으로 두어야 함 |
|
(6) 표면 및 내용물 | 문자도안 표시에 발광형광인광물질 사용불가 특정부분 튀어나옴눌러찍기돋아내기구멍뚫기 등이 없이 균일해야 함 종이수입인지 등을 완전히 밀착하여 붙인 경우나 점자 기재는 허용 |
|
(7) 기계처리를 위한 공백 공간 허용오차 ±5mm |
앞면 : 오른쪽 끝에서 140㎜ × 밑면에서 17㎜, 우편번호 오른쪽 끝에서 20㎜ | |
우편번호만 알아도 해당 시/군/자치구를 알 수 있다. 우편번호 체계
우편번호만 알아도 해당 시/군/자치구를 알 수 있다. 우편번호 체계 우편번호는 주소를 효율적으로 구분하기 위한 중요한 요소입니다. 온라인으로는 도로명주소나 지번주소를 입력하여 우편번
m1.m-bia.com
우편물 손해배상제도, 손해배상범위와 배상금액 정보
우편물 손해배상제도, 손해배상범위와 배상금액 정보 우편물 손해배상제도는 우편서비스 이용으로 발생한 분실, 훼손, 지연 배달 등에 대한 손해배상에 관한 사항을 다룹니다. 이 제도는 피해
m1.m-bia.com
우체국 우편요금 감액 대상 및 요건 알아보기
우체국 우편요금 감액 대상 및 요건 알아보기 우체국 우편요금을 감액 받을 수 있는데 그 대상은 신문법과 잡지법에 따라 등록된 신문과 정기간행물이 대상입니다. 이 글에서는 우편요금 감액
m1.m-bia.com
우체국 우편요금 및 수수료 (통상우편물요금,우편수수료,우편엽서,소포우편물)
우체국 우편요금 및 수수료 (통상우편물요금,우편수수료,우편엽서,소포우편물) 우체국 우편요금은 무게 및 크기에 따라 다릅니다. 우편 종류에 따른 요금 및 수수료를 자세하게 알아보겠습니다
m1.m-bia.com
우체국은 우편사업 외에도 다양한 사업이 있습니다.
우체국은 우편사업 외에도 다양한 사업이 있습니다. 우체국은 전국 어디서나 공평한 우편요금으로 서신 및 물품 등의 우편물을 접수하고 배달하는 보편적인 우편서비스를 제공합니다. 이 서비
m1.m-bia.com
'생활정보' 카테고리의 다른 글
배복주 프로필, 전장연 대표 박경석 배우자 (0) | 2024.02.19 |
---|---|
주거이전 우편물 전송서비스, 이사 한다면 우편물 걱정하지 말고 신청하세요 (0) | 2024.02.16 |
우편번호만 알아도 해당 시/군/자치구를 알 수 있다. 우편번호 체계 (0) | 2024.02.16 |
우편물 손해배상제도, 손해배상범위와 배상금액 정보 (0) | 2024.02.16 |
우체국 우편요금 감액 대상 및 요건 알아보기 (0) | 2024.02.16 |